晶体谐振器HC49S

议价
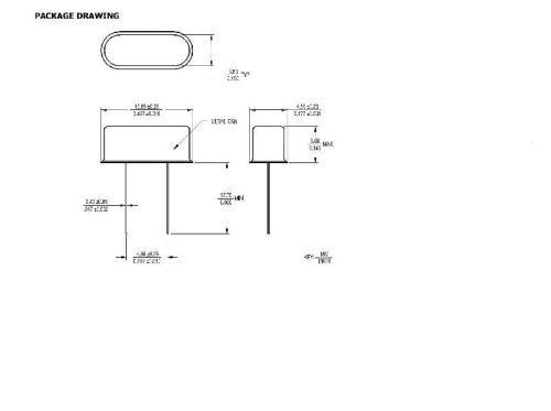
加入意向型号Holder type: | HC-49S |
标称频率Frequency: | 4.000MHz |
调整频差Frequency tolerance at 25ºC: | ± 20ppm |
温度频差Temperature tolerance: | ± 30ppm |
工作温度Operating temperature range: | -20ºC ~+70ºC |
保存温度 Storge temperature range: | -40ºC ~+85ºC |
负载电容Load capacitance (CL) : | 20 pF |
静电容Shunt capacitance (C0) : | 5pF max. |
振动模式Vibration mode: | AT fund |
等效电阻Equivalent series resistance: | 100Ω |
绝缘电阻 Insulation resistance: | 500Ωmin (DC 100V) |
老化率Aging: | ± 5ppm/ year |
激励功率Drive level: | 0.1mw |
外形尺寸: Size
Unit: mm
| 印字: Mark: Laser
4.000
|
