
HL-150 while maintaining the advantages of the H-150, absorbing domestic and foreign similar strengths piston vacuum pumps, amended H-150 imperfections, providing customers with a better vacuum device configuration. Change the shaft member lubricating to improve the life of the shaft member, the exhaust system has been adjusted to the flow channel, so that some lower noise, HL-150 more energy than the H-150 (H-150 vacuum pump power of 15KW and HL-150 pump was 11KW), appearance, container flowers, small footprint, low vibration, no injection, no oil spills. so that the overall performance and reliability can be guaranteed and improved.
Used in aerospace, aviation, atomic, pharmaceutical, chemical, petroleum, metallurgy, vacuum heat treatment, vacuum coating, ceramics, electrical, new materials and other industries .
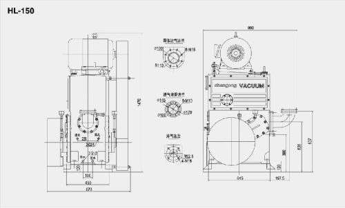
| The main technical parameters | |
| model | HL-150 |
| Extreme pressure | 1Pa |
| Geometric pumping speed | 150L / s |
| Inlet diameter | 100mm |
| Exhaust caliber | 80mm |
| Pump speed | 450r / min |
| Equipped with power | 11kw |
| Cooling water consumption | 700kg / h |
| weight | 680kg |

